繼電器的應用,相信大家都知道,在電路中只要給它供電、斷電就可以工作了。
然而,它的應用細節,不知道大家有沒注意 。下面談談我的觀點
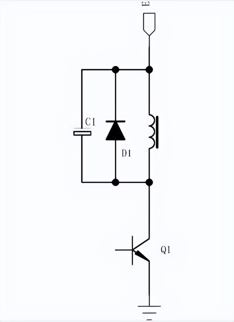
一、現在流行的接法,如圖。

圖中,繼電器的線圈經過Q1作為開關,使其導通與斷開。D1作為續流,消耗線圈中的能量。
二、繼電器的特點;
1、吸合電流大于釋放電流

2、保持電流小于吸合電流、大于釋放電流。
以上兩點均為繼電器的“通病”,大家可以做一下實驗,或看一看說明書。
三、流行電路的優點及缺點
大家知道,繼電器的線圈相當于電感,它的電流不能突變。在釋放時,Q1截止瞬間,線圈將仍保持原來的電流大小,如果不接入D1這個二極管,產生的電壓-----理論上是無窮大的(在外電路負載為無窮大時),流行電路中的D1的接入,給線圈中的能量提供了釋放的通道。
然而,假如(理論上)二極管為理想的,即它只單向導通而沒有任何功率消耗,那么,在繼電器釋放時,線圈中的電流將一直保持吸合時的最大電流(同時假如線圈為理想的),這種情況將使繼電器無法釋放。
實際中的二極管及線圈都不是理想的,所以,它是可以釋放的。繼電器的吸合到釋放是由線圈中的電流決定的,如果二極管及線圈的等效電阻(直流)很小,那么它的釋放時間將很長,反之,則較短。
由此看,流行電路的優點是提供了Q1截止時的能量釋放通道;其缺點是,釋放時間還有進一步縮短的可能。
四、其它接法。
曾見過象下圖中電路,也曾見過象下圖中沒有二極管的接法,這些接法都考慮到了抑制開關Q1截止時的反向電壓,但沒有考慮到釋放時間問題。

五、建議接法。
1、加入電阻R1,使能量釋放快一些。

上圖中,線圈在Q1關斷時,能量主要消耗在R1上,使繼電器可以快速降到釋放電流。
R1的選擇,由Q1的最高反壓、線圈工作電流兩者決定,電阻越大,釋放時間越短。---- 計算就不多說了吧。
2、減小繼電器保持時間的功耗。
大家知道,繼電器吸合時需要較大的電流,而保持吸合狀態則不需要和吸合時的電流一樣。
下圖接入R1及C1將明顯減小繼電器的保持功耗。在繼電器吸合前,C1已充電至供電電壓,吸合的瞬間將由C1為
繼電器供電,以保障吸合所需的大電流。當吸合后,供給線圈的電流來自R1,它將電流限制到較小狀態。

繼電器日常使用的四個注意事項
1、運輸和安裝
繼電器是一種精密機械,因此對濫用運輸方式非常敏感,在制造過程中已采用了許多方法使繼電器在運輸過程中得到最好的保護,因此在進廠檢驗以及用戶以后的使用安裝中,不要破壞繼電器的初始性能,此外還應注意以下幾點:為防止引出端表面污染,不應直接接觸引出端,否則,可能導致可焊性下降。引出端的位置應與印刷板的孔位吻合,任何配合不當都可能造成繼電器產生危險的應力,損害其性能和可靠性,請參照樣本中的打孔圖打孔。應注意監測存儲溫度,盡量避免繼電器存儲時間過長(建議不超過三個月)。繼電器應在潔凈的環境中存儲和安裝。
2、涂焊劑
非塑封繼電器極易受焊劑的污染,建議使用抗焊劑式或塑封式繼電器以防止焊劑氣體從引出端和底座與外殼的間隙侵入,此類繼電器適合用多泡涂焊劑或噴涂焊劑工藝。抗焊劑式繼電器如采用預熱烘干則可進一步防止焊劑侵入。
3、焊接工藝
當使用涂焊劑或自動焊接時,應小心,不要破壞繼電器性能,抗焊劑式繼電器或塑封式繼電器可適用于浸焊或波峰焊工藝,但最大焊接溫度和時間應隨所選繼電器的不同加以控制。
4、清洗工藝
應避免對非塑封繼電器進行整體清洗,塑封式繼電器的清洗應采用適當的清洗劑,建議使用氟里昂或酒精;應盡量避免使用超聲波清洗,這是因為超聲頻率的諧波會使觸點產生磨擦焊(冷焊)并可能使觸點卡死。在清洗和干燥后,應立即進行通風處理,使繼電器降至室溫。